Une formation express en ingénierie des systèmes
Faire du surplace aujourd'hui, pour mieux préparer l'accélération
Temps de lecture : 11 minutes.
Ce rapport hebdomadaire est destiné aux 210 pionniers.
Salut à tous,
Quand mon contrat de thèse s’est terminé en mai 2022, j’ai dû faire un choix capital.
J’ai en effet dû me positionner sur la source de revenu qui allait payer mon loyer après mes 3 ans de doctorat :
Est-ce que je devais tirer profit de l’infinie chance que nous avons en France de toucher une indemnité mensuelle de chômage pendant 18 mois ?
Ou est-ce que je devais trouver un job alimentaire pour assurer mes arrières ?
Face à ce choix, d’aucuns auraient vu se former des perles de sueur sur leur front. Il faut dire qu’après 3 ans de travail de thèse, on a envie de récolter les fruits de notre labeur. On est donc vite tenté de migrer chez Airbus, avec le salaire qui va avec.
Mais en réalité, j’ai très rapidement tranché.
Mon objectif, vous le savez, a toujours été de faire exploser Ambre. C’est le cas depuis 2018, et ça n’a pas changé. Or un job alimentaire est par définition un risque pour Ambre. Car il demande de l’énergie, et il réduit le temps disponible pour Ambre.
J’ai donc très rapidement compris que je devais me tourner vers le chômage. Je n’avais pas d’autre choix.
Enfin c’est ce que je croyais, jusqu’à ce qu’on me propose une troisième voie : quid d’enseigner l’ingénierie des systèmes à l’usage de véhicules électriques en école d’ingénieur ?
Une idée de mon directeur de thèse
Cette proposition m’a été faite par mon directeur de thèse.
Mais avant d’entrer plus en détails dans l’accord bilatéral qu’il a m’a soumis, un petit rappel sur ce qu’est l’ingénierie des systèmes. Car je ne crois pas vous faire offense en supposant que cette discipline est étrangère à nombre d’entre vous.
Je ne l’ai d’ailleurs comprise que très récemment, quand j’ai dû m’y plonger afin de l’enseigner.
En résumé, l’ingénierie des systèmes est la science du trait d’union.
C’est-à-dire que c’est à elle que revient la lourde tâche de faire l’interface entre toutes les spécialités scientifiques amenées à collaborer dans la conception d’un système complexe.
Prenons l’exemple d’une moto électrique :
Pour concevoir un tel bolide, il faut des spécialistes de la mécanique dont le rôle est de comprendre les efforts mis en jeu et concevoir des pièces qui résistent à ces efforts.
Mais il faut aussi des spécialistes de l’électronique, pour faire fonctionner en bonne intelligence le groupe motopropulseur électrique.
Sans oublier évidemment des spécialistes de la thermique, qui ont l’immense chance de savoir comment modéliser l’évolution de la température qu’on trouvera dans les différents composants.
Aussi, on doit trouver des spécialistes de l’informatique afin de coder le système d’exploitation (ou du moins en adapter un qui existe déjà) qui permettra au motocycliste de dialoguer avec sa moto.
Et si on pousse le zèle, on peut imaginer qu’une équipe spécialisée dans la chimie ne sera pas inutile, pour veiller au bon traitement des cellules lithium-ion.
À ce stade, il y a de quoi être pris de vertige.
Car on le pressent très rapidement : ces équipes de spécialistes ne sont pas prédisposées à s’interfacer simplement. Et pour cause, ces disciplines sont si multiples qu’elles parlent toutes une langue différente.
Il faut donc une équipe préposée à l’interfaçage de toutes ces équipes. Et cette équipe, c’est celle de l’ingénierie des systèmes.
Autrement dit, et d’après Wikipedia qui le dit avec une clarté exemplaire :
“L’ingénierie des systèmes, est une approche scientifique interdisciplinaire, dont le but est de formaliser et d'appréhender la conception et la validation de systèmes complexes.
Elle a pour objectif de maîtriser et de contrôler la conception de systèmes dont la complexité ne permet pas le pilotage simple.”
Ce qui veut dire que l’ingénieur système doit comprendre toutes ces disciplines, afin d’intégrer l’impact de chacune de ces disciplines sur le comportement d’une moto électrique pour le modéliser.
Maintenant que nous savons tous de quoi il est question, venons-en à la proposition de mon directeur de thèse.
Elle était d’un pragmatisme rare, et d’un opportunisme parfaitement symétrique.
Je vous laisse en juger par vous-mêmes :
Son offre consistait à me donner un poste d’enseignant-chercheur temporaire, qui consiste à donner 200h de cours dans l’année universitaire en cours ;
Ces cours sont divisés à égalité entre des enseignements orientées vers la mécanique (donc ma spécialité) et l’ingénierie des systèmes à destination des véhicules électriques (donc mon projet) ;
Le reste du temps doit être alloué à de la recherche, elle aussi divisée à égalité entre des recherches de poursuite de thèse (que je vais orienter vers les moteurs électriques) et les recherches sur notre moto électrique ;
Et tout ça pour un salaire certes modique (ils se demandent pourquoi tout le monde préfère aller chez Airbus) mais 400 € supérieur à ce que me proposait Pôle Emploi.
Je crois qu’on appelle ça ménager la chèvre et le chou.
Après cette démonstration, on peut même en venir à penser que mon directeur de thèse est passé à côté d’une vocation de diplomate talentueux. À moins que ce talent de diplomate soit une nécessité pour survivre dans la recherche publique.
Quoi qu’il en soit, et après avoir ravalé mon admiration, j’ai accepté son offre.
Il faut dire qu’à première vue, cette offre représentait l’opportunité de me frotter à des professeurs spécialistes des différentes disciplines que nous avons évoquées, d’avoir accès à des équipements scientifiques de qualité et de consacrer du temps à notre moto.
Mais ça s’est avéré plus confus que prévu.
C’est un travail colossal
Ça c’est avéré plus compliqué que prévu, d’abord parce que la condition d’enseignant chercheur dans le supérieur est moins agréable qu’il n’y paraît.
En théorie, un enseignant chercheur débutant donne quelque chose comme 200 heures de cours par an. Si on divise cette quantité totale d’heures par le nombre de semaines d’une année universitaire, on aboutit à une charge hebdomadaire de 5 heures.
La belle vie !
Sauf que non, vraiment pas.
Car on enseigne l’ingénierie des systèmes aux étudiants qui nous sont confiés. Or vous n’êtes pas sans savoir qu’en ce moment, nous vivons de nombreuses révolutions technologiques, qui bouleversent cette discipline dont le rôle est justement de modéliser toutes les technologies utilisées.
Si bien que tous les ans, on doit adapter le programme, pour coller aussi précisément que possible à l’état de l’art.
Et on en arrive à repartir constamment de zéro dans la conception des sujets de TP et de TD (“Travaux Pratiques” et “Travaux Dirigés”).
Dès lors, on doit ajouter au moins une quinzaine d’heures par semaine de préparation de cours et de débuguage des logiciels de simulation. Et on doit aussi prévoir quelques heures de permanence pour rassurer les étudiants inquiets qui n’ont pas saisi certaines subtilités théoriques.
Et à la fin, on en arrive à une charge hebdomadaire quasi-normale.
Ce qui fait dire à de nombreux enseignants chercheurs qu’en réalité, le seul moment où ils peuvent se consacrer à leur recherche, c’est pendant les vacances universitaires.
Pas idéal.
Et pas parfaitement ce que j’espérais.
Car au même titre que mes collègues n’ont pas de temps à allouer à leur sujet de recherche, mon temps de travail consacré à mon sujet de recherche est tronqué. Or mon sujet de recherche, c’est notre moto électrique.
Ça, c’est la face sombre.
Celle qui me fait penser que ça ne peut pas éternellement continuer ainsi, étant donné que mon projet n’est pas de faire de l’enseignement (même si c’est gratifiant), mais de propulser Ambre à la place qu’on lui espère.
Le problème, c’est que comme dans tout problème décisionnel, il y a aussi un côté lumineux.
Lui, c’est celui qui consiste à constater qu’avant d’apprendre à mes étudiants la modélisation de systèmes, je dois m’aligner avec le niveau technique des professeurs qui ont conçu les cours.
Or ces professeurs sont de sacrées pointures dans le secteur.
Je prends donc des cours particuliers express à leur côté, pour éclairer toutes les zones d’ombre qui restaient à mon tableau.
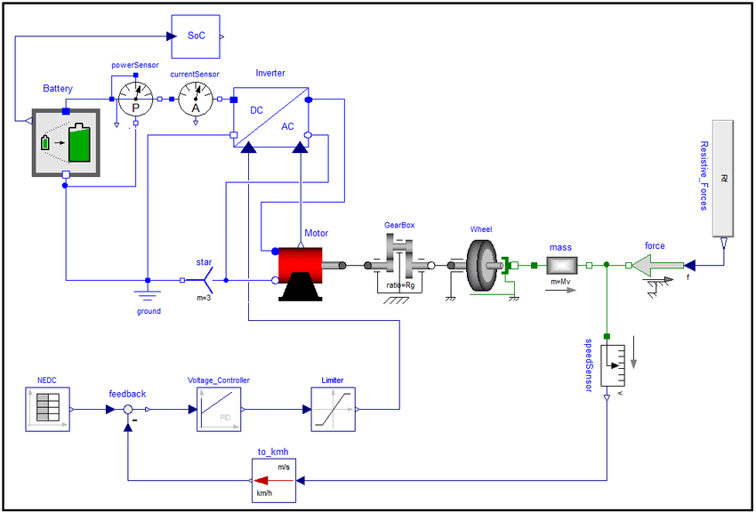
Par exemple, vous savez que jusqu’à présent, j’ai modélisé toute notre moto électrique sur Excel. En pré-conception, quand on est tout seul, c’est largement suffisant. Mais dans quelques mois, je vais être rejoint par un ingénieur.
Et très rapidement après, l’équipe d’ingénierie va s’agrandir, pour se consacrer à la conception du prototype industriel de notre moto électrique.
À ce moment-là, Excel ne sera plus autorisé.
Ce logiciel magnifique permet de tout faire, mais une feuille de calcul Excel n’est compréhensible que par celui ou celle qui l’a conçue. Ce qui est plus que problématique dans le fonctionnement choral d’un bureau d’études.
C’est pour cette raison que dès aujourd’hui, je dois me former aux logiciels utilisés pour modéliser les systèmes complexes. Et par un sublime alignement des planètes, mes enseignements me permettent de faire un rattrapage éclair sur ces logiciels.

Je prépare donc l’arrivée des ingénieurs et des ingénieures qui me rejoindront dès aujourd’hui, grâce aux cours que je donne.
Et le temps que j’ai l’impression de perdre aujourd’hui pourrait en réalité être très bien investi.
En conclusion : on prépare le futur
Je ne sais pas si cette situation d’écartèlement de mon emploi-du-temps se poursuivra.
Mais je voulais profiter de ce rapport hebdomadaire pour vous partager ce quotidien qui est en ce moment le mien. Un quotidien qui est certes formateur, mais ni celui que j’avais initialement en tête, ni de tout repos.
Ce que je sais, c’est que le surplace que nous semblons faire aujourd’hui dans la production de notre moto électrique n’en est pas réellement un.
Nous préparons en réalité la suite des événements, qui pourraient s’apparenter à un gigantesque rocher posé sur un sol meuble. Pour espérer le faire avancer, on doit préparer le terrain et accepter qu’il ne bougera que quand on aura vaincu son inertie.
Il y a donc un travail de préparation titanesque avant de le voir se mettre en branle.
Et j’imagine que ça ne vous surprend pas : on ne devient pas un constructeur industriel de motos électriques du jour au lendemain. Surtout quand notre objectif est de tutoyer Tesla, ce rocher terraformé qui fuse à une vitesse hypersonique.
Alors voilà.
Nous continuons de polir notre stratégie.
Et si tout ne semble pas se mouvoir aussi vite que ce qu’on voudrait, c’est parce que nous n’avons pas encore fini d’aplanir le terrain et qu’il reste encore un peu d’inertie à vaincre.
Mais quand ça s’accélèrera, ça s’accélèrera.
À vue de nez, je dirais que ça devrait se décanter dans les prochains mois.
Il faut donc tenir la distance jusque là. Et continuer à faire ce travail de sape, à pousser inlassablement notre rocher jusqu’à ce qu’il bascule. Camus avait vu juste, le mythe de Sisyphe est décidément une allégorie fonctionnelle.
Bon dimanche,
Julien

